OUR ONLINE STORES

PFAFF SW-K LAMBDA Console-mounted rope winch (BGVC1) Specification Table
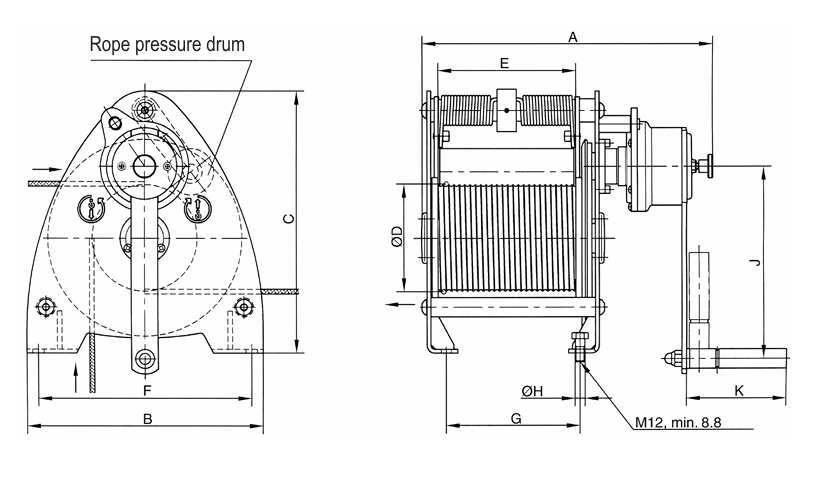
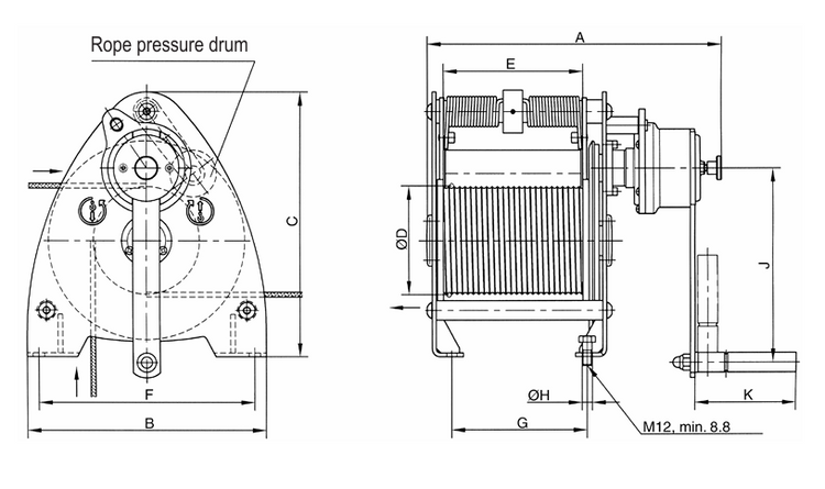
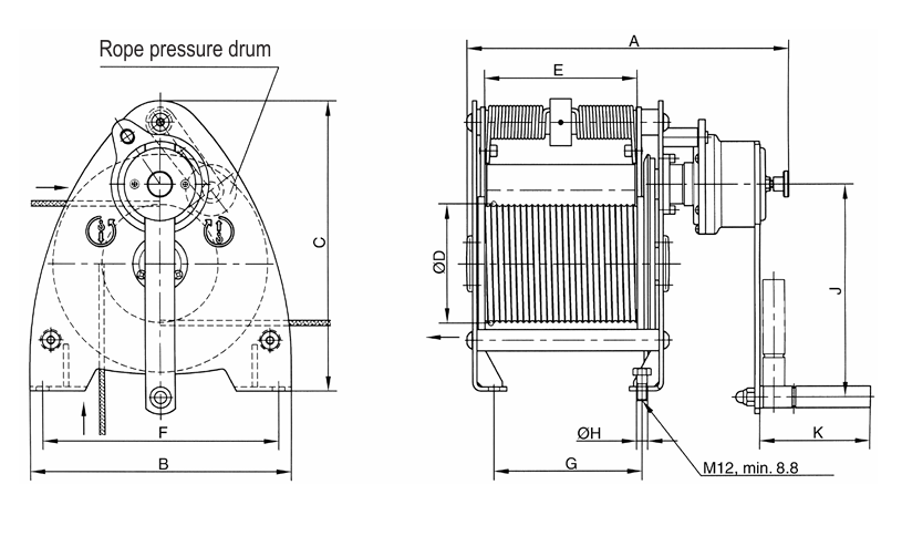
PFAFF SW-K LAMBDA Console-mounted rope winch (BGVC1) Dimensions Table with Diagrams
    PFAFF SW-K LAMBDA Console-mounted rope winch (BGVC1) Specification Table
    PFAFF SW-K LAMBDA Console-mounted rope winch (BGVC1) Dimensions Table with Diagrams
PFAFF SW-K LAMBDA Console-mounted rope winch (BGVC1) Specification Table
PFAFF SW-K LAMBDA Console-mounted rope winch (BGVC1) Dimensions Table with Diagrams
PFAFF SW-K LAMBDA Console-mounted rope winch (BGVC1) Specification Table
PFAFF SW-K LAMBDA Console-mounted rope winch (BGVC1) Dimensions Table with Diagrams
    PFAFF SW-K LAMBDA Console-mounted rope winch (BGVC1) Specification Table
    PFAFF SW-K LAMBDA Console-mounted rope winch (BGVC1) Dimensions Table with Diagrams
PFAFF SW-K LAMBDA Console-mounted rope winch (BGVC1) Specification Table
PFAFF SW-K LAMBDA Console-mounted rope winch (BGVC1) Dimensions Table with Diagrams

Product Information

SW-K LAMBDA (300KG)

      The Pfaff SW-K Lambda BGVC1 wire rope winch is designed for precision lifting and load-holding applications. Engineered with a grooved drum for single-layer winding, it offers extended wire rope service life with an 18:1 ratio between drum and rope diameter. The safety spring double brake system ensures automatic load-holding at any position, making it ideal for demanding environments.

      Recommended Wire Rope: DIN 3060 FE-znk 1770 sZ-spa
      Note: All Pfaff winches are supplied without wire rope.

      Key Features

      • Grooved drum for single-layer winding, enhancing wire rope longevity.
      • 18:1 drum-to-rope ratio increases service life.
      • Double safety spring brake system automatically holds the load in any position.
      • Spring-loaded rope pressure drum for improved coiling.
      • Spur gear drive ensures efficient load handling
      • Gear rated to twice the nominal load for added durability.

      Optional Accessories

      • Drum extension for increased wire rope
        capacity.
      • Special grooved drum for multi-layer wire rope
        winding.
      • Wire rope (sold separately)

      Safety Guidelines:

      • Operation, installation, and maintenance must be performed by qualified personnel.

      • Regular inspections are mandatory:

      • Daily checks: Brake function, rope condition, load attachment, and support structure.

      • Annual UVV inspection by a certified expert.

      • Comprehensive inspection at least every 4 years or after modifications.

      Prohibited Actions:

      • Never leave a load hanging unsecured.

      • Do not allow the rope to swing or drop freely.

      • Avoid touching moving parts

      Rope Guidelines:

      • Must be wound in a single layer on the grooved drum.

      • Minimum 3 full windings must remain on the drum when fully extended.

      • Regularly inspect according to DIN 15020 standards.

          SW-K LAMBDA (300KG)

              The Pfaff SW-K Lambda BGVC1 wire rope winch is designed for precision lifting and load-holding applications. Engineered with a grooved drum for single-layer winding, it offers extended wire rope service life with an 18:1 ratio between drum and rope diameter. The safety spring double brake system ensures automatic load-holding at any position, making it ideal for demanding environments.

              Recommended Wire Rope: DIN 3060 FE-znk 1770 sZ-spa
              Note: All Pfaff winches are supplied without wire rope.

              Key Features

              • Grooved drum for single-layer winding, enhancing wire rope longevity.
              • 18:1 drum-to-rope ratio increases service life.
              • Double safety spring brake system automatically holds the load in any position.
              • Spring-loaded rope pressure drum for improved coiling.
              • Spur gear drive ensures efficient load handling
              • Gear rated to twice the nominal load for added durability.

              Optional Accessories

              • Drum extension for increased wire rope
                capacity.
              • Special grooved drum for multi-layer wire rope
                winding.
              • Wire rope (sold separately)

              Safety Guidelines:

              • Operation, installation, and maintenance must be performed by qualified personnel.

              • Regular inspections are mandatory:

              • Daily checks: Brake function, rope condition, load attachment, and support structure.

              • Annual UVV inspection by a certified expert.

              • Comprehensive inspection at least every 4 years or after modifications.

              Prohibited Actions:

              • Never leave a load hanging unsecured.

              • Do not allow the rope to swing or drop freely.

              • Avoid touching moving parts

              Rope Guidelines:

              • Must be wound in a single layer on the grooved drum.

              • Minimum 3 full windings must remain on the drum when fully extended.

              • Regularly inspect according to DIN 15020 standards.

                  Pfaff-silberblau by Pfaff-silberblau

                  Pfaff SW-K LAMBDA Console-mounted rope winch (BGVC1) - Dual Lines

                  Regular price
                  £1,892.50
                  Sale price
                  £1,892.50
                  Regular price
                  Tax included. Shipping calculated at checkout.

                  Translation missing: en.products.product.sku:601-1-2

                  Customer Reviews

                  Be the first to write a review
                  0%
                  (0)
                  0%
                  (0)
                  0%
                  (0)
                  0%
                  (0)
                  0%
                  (0)

                  Check Out These Related Products